Charge connector
In many cases, the charge connector breaks on the Yamaha batteries, but the BMS is still okay. It is not possible to buy the original connectors. Our solution idea now is to swap the BMS, and go over to normal jack plug. This works, but it is a lot of work, and we need to sell a new charger too. It would be preferable to just swap to another 4-pin connector, and maintain the communication.
The connectors are:
- 4 pin
- Must support at least 4A - the original chargers are 4A
- 16 mm outermost diameter
- 11 mm inner circle diameter
- 9.4 mm diameter in the innermost cut
The charger cable is 4-core:
- Red
- Black
- Yellow
- Blue
The BMS needs 4 wires:
- Red
- Black
- White
- Blue
No-collar version
Collared version
The outer diameter of the collar is 22 mm.
Jack socket
The jack socket's thread has to be machined off to be able to slide it in to the hole on the lower part of the battery housing. Other than that, it fits in nice!
Possible solutions
Hirose
Hirose produces the original plugs for Yamaha.
This might be a compatible socket.
The HR34B series is similar, HR10, HRS4F.
SP16
This one would work, and it has a socket (called flange) which is slightly too big, but not crazy too big. We would need to drill the hole. Supports 5A.
GX16
Rated 20A!
Circular round type - back mount placed in:
The hole diameter would have to be 15.5 mm to install it.
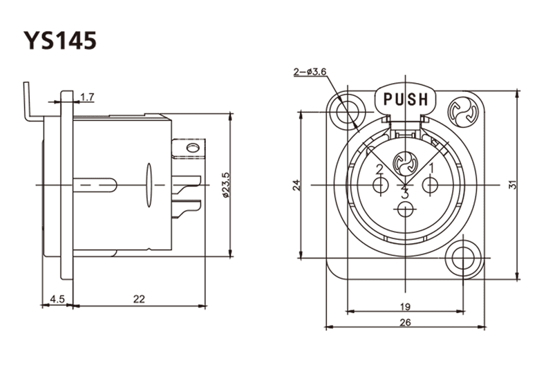
XLR
The hole diameter would have to be 23/24 mm to install it. On the ones we have, I measured that a 21.5 mm hole would do it.
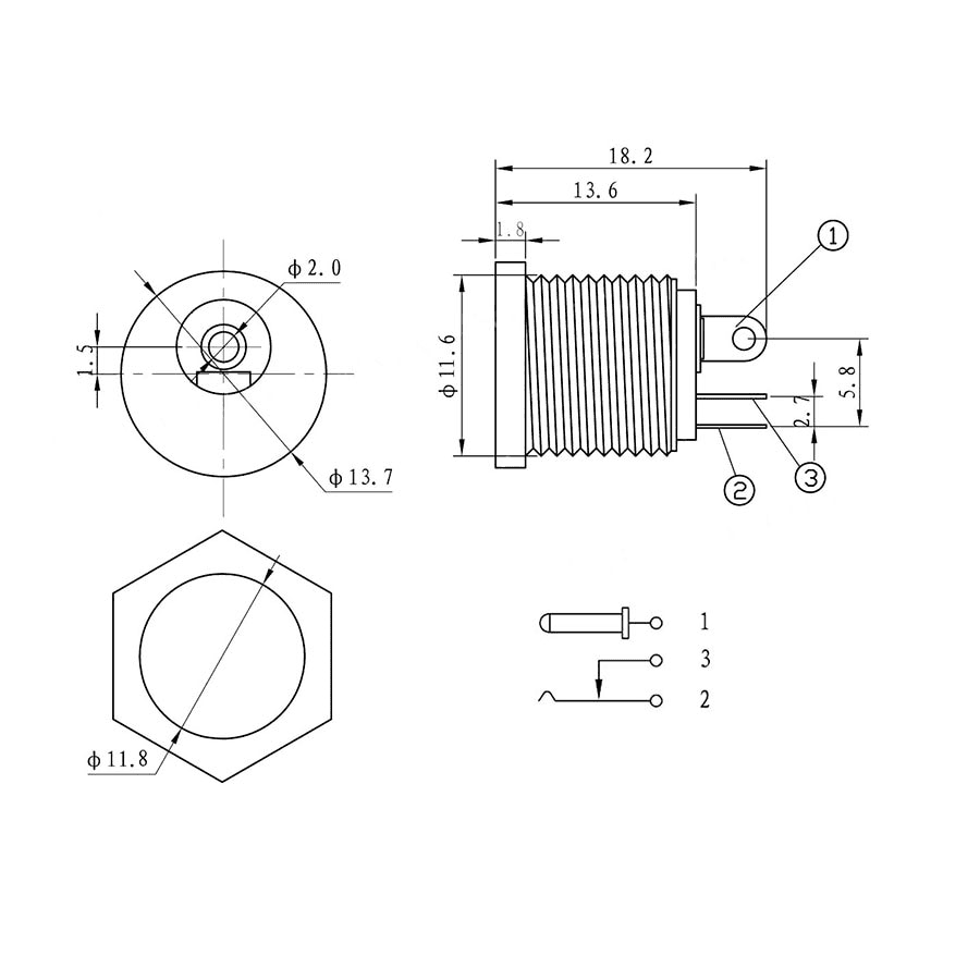
Mini XLR
Rated 5A.
On ali, buy socket here.
On ELFA:
GX12
The competition
Powatechnic
- Based in Sheffield
- See eBay listing. They just swap the plug on the charger itself. It is a charger repair, not a battery repair.
- They also repair the battery side for more money.
- Their main focus is wheelchair battery solutions, not bicycle batteries.
- They also used to sell compatible chargers on this listing. They make it clear that "This charger is an aftermarket alternative NOT the original type."
Powerbutler
Powerbutler sells adapters to fit their fancy chargers to Yamaha batteries. Not really competition, but it shows that they have access to the right part!
Bike-energy
They have this weird solution - seems not original, but somehow compatible!
Correct connection w/ Mini XLR
- Charer_Red -> XLR_1 -> BMS_Red
- Charger_Black -> XLR_3 -> BMS_Black
- Charger_Yellow -> XLR_4 -> BMS_Blue
- Charger_Blue -> XLR_2 -> BMS_White
Yes, charger's blue wire goes to the BMS's white wire.
Fun fact: if you swap the data, it will still work, but only at 1 A.
Fixing the bottom case to accept the Mini XLR





























No comments to display
No comments to display